LS400

Serrure à code et RFID Safe-O-Tronic Access LS400 SAG

La serrure électronique LS400 est la solution idéale pour sécuriser avec élégance et efficacité vos casiers vestiaires, meubles de bureaux ou d’atelier.
Combinant les technologies RFID et code PIN, elle offre une double sécurité.

Compatible tous matériaux et adaptée aux locaux humides.

Une question ?
Besoin d'un devis ?

Question
LS-400-RFID-312
LS SAG -SCHEME noire serrure casier position_8
LS-400-RFID-312
LS SAG -SCHEME noire serrure casier position_8

Double technologie : RFID et Code PIN
Indicateur libre – occupé lumineux et sonore
Gestion de 99 codes avec validité
Historique des 500 derniers mouvements
Paramétrable avec dates de validité et zones horaires

Plaque clipsable personnalisable

Obligatoires pour installation :
Kit d’installation
Encodeur
Logiciel

Garantie 2 ans
Livrée sans bracelet
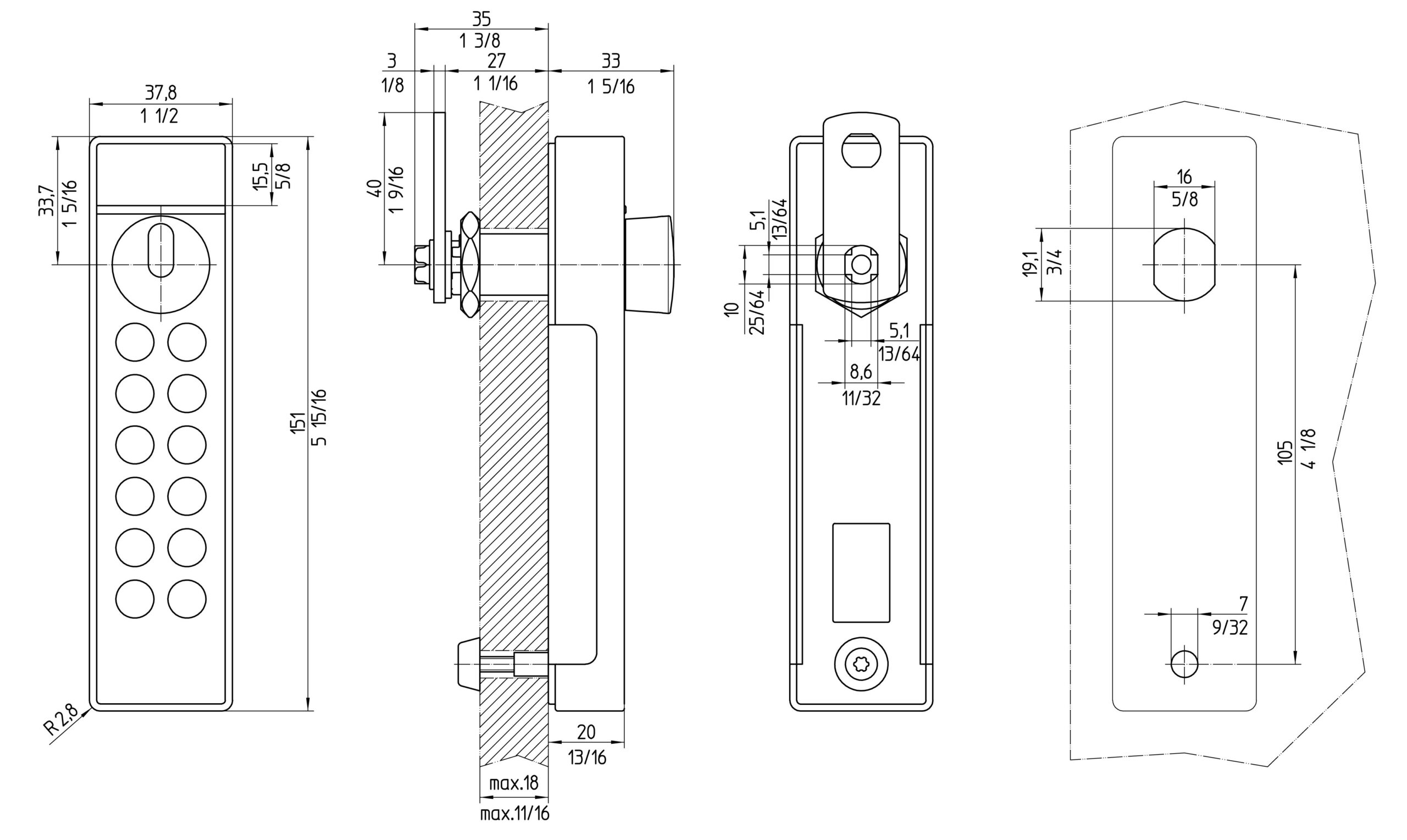
Epaisseur de porte maximale 18 mm

Dimensions (en mm)
L 38 x H 151 x P 33
noir, blanc
Poids (en kg)
0.3
Disponible sur-mesure
non
Environnement compatible
non
Durée de vie estimée
Env. 2 ans ou env. 20 000 actionnements
Garantie (années)
2 ans
Condamnation
MIFARE Classic et DesFire ISO14443A (13,56 MHz)
Fonctions maître
Code PIN maître (5 à 9 chiffres), MasterKey (transpondeur)
Programmation
TECHNIQUE

Gestion Avancée

Sa gestion est optimisée par des fonctionnalités avancées : mise en opposition automatique des badges perdus, paramétrage avec dates de validité et zones horaires, et une intégration possible dans un organigramme réactualisé quotidiennement. Elle assure un contrôle total avec un code maître, une ouverture sous contrôle en cas d’oubli, et des options de blocage ou d’ouverture automatique après dépassement de la durée d’utilisation.

Recevez votre devis personnalisé en un clic

Vous avez un projet ou une idée en tête ? En quelques instants, demandez un devis adapté à vos besoins et recevez une réponse sur-mesure.

Demander un devis